Автоматический выключатель дифференциального тока АВДТ32 С16 (2Р, 16 А, 6 кА)
Автоматические выключатели дифференциального тока АВДТ 32 предназначены для защиты человека от поражения электрическим током при повреждении изоляции электроустановок, для предотвращения пожаров вследствие протекания токов утечки на землю и для защиты от перегрузки и короткого замыкания.
Рекомендуются для защиты групповых линий, питающих розетки наружной установки, розеток и освещения подвалов и гаражей.
Преимущества
- Комбинированная схема с электронным модулем дифференциальной защиты и встроенным автоматическим выключателем.
- Дополнительная защита человека при прямом прикосновении к токоведущим частям.
- Наличие кнопки "Тест" для проверки работоспособности устройства и правильности подключения.
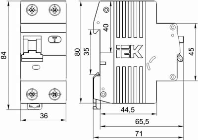
- Габариты АВДТ соответствуют двухмодульному исполнению.
- Наличие индикатора состояния главной цепи.
- Широкий диапазон рабочих температур.
Размеры

Особенности конструкции
![]() |
Помехоустойчивая схема исключает ложное срабатывание. | ![]() |
Дополнительная защита от прогорания корпуса аппарата из-за дуги и отвод тепла за счет антипрогарной пластины. |
![]() |
Быстрый монтаж, дополнительная надежность крепления на DIN-рейке с помощью защелки с двойным фиксированным положением. |
![]() |
Дугогасительная камера из 13 стальных пластин для эффективного гашения дуги. |
![]() |
Насечки на контактных зажимах снижают тепловые потери и увеличивают механическую устойчивость соединения. | ![]() |
Возможность одновременного присоединения шиной Fork и гибким проводником для распределения питания цепи через верхние зажимы, а также возможность соединения шиной PIN. |
![]() |
Добавление дополнительных заклепок корпуса увеличило жесткость и прочность конструкции. | ![]() |
Изменение пресс-формы добавлением ребер жесткости для минимизации риска проворачивания винтовых зажимов при затяжке. | ![]() |
Защита от пульсирующего постоянного дифференциального тока и синусоидального переменного дифференциального тока. |
Технические характеристики
| Артикул | MAD22-5-016-C-30 |
| Тип изделия | автоматический выключатель дифференциального тока |
| Число полюсов | 1Р+N |
| Наличие защиты от сверхтоков | в фазном полюсе |
| Тип расцепителя | тепловой, электромагнитный |
| Номинальное рабочее напряжение Ue, В | 230 |
| Номинальная частота сети, Гц | 50 |
| Номинальное импульсное выдерживаемое напряжение Uimp, В | 4000 |
| Номинальное напряжение изоляции Ui, В | 230 |
| Номинальный ток In, А | 16 |
| Номинальный отключающий дифференциальный ток (уставка) I?n, мА | 30 |
| Номинальный неотключающий дифференциальный ток I?n0, мА | 0,5 I?n |
| Максимальное время отключения при номинальном отключающем дифференциальном токе, с. | 0,04 |
| Номинальная наибольшая отключающая способность Icn, А | 6000 |
| Номинальная наибольшая дифференциальная включающая и отключающая способность I?m, А | 6000 |
| Рабочая характеристика в случае дифференциального тока с составляющей постоянного тока, тип | А |
| Характеристика срабатывания от сверхтоков, тип | С |
| Механическая износостойкость, не менее, циклов В-О | 15000 |
| Электрическая износостойкость, не менее, циклов В-О | 6000 |
| Способ крепления | на DIN-рейку |
| Рабочее положение | вертикальное с возможным отклонением на 90° |
| Присоединительная способность контактных зажимов, кв.мм | 2,5 - 25 |
| Возможность присоединения к контактным зажимам соединительных шин со стороны подключения сети | PIN (штырь) / Fork (вилка) |
| Диапазон рабочих температур, °С | -25... +40 |
| Относительная влажность при +40 °С, % | 50* |
| Степень защиты от пыли и влаги | IP20 |
| Климатическое исполнение и категория размещения | УХЛ4 |
| Вес изделия, кг | 0,25 |
| Срок службы, лет | 15 |
* Допускается использование АВДТ при относительной влажности 90 % и температуре +20 °С.
Схема электрическая

Правила монтажа и эксплуатации
- Монтаж АВДТ необходимо осуществлять на Т-образные направляющие ТН 35 в корпусах (оболочках) со степенью защиты от пыли и влаги не ниже IP30.
- При измерении сопротивления изоляции групповых электрических цепей, к которым подключен АВДТ, необходимо отделить проводник испытуемой цепи от устройства путем отсоединения от зажимов 2, N.
- После монтажа АВДТ и проверки его правильности подайте напряжение электрической сети на электроустановку, переведите рукоятку управления АВДТ в положение "I", нажмите кнопку "Тест".
Немедленное срабатывание выключателя (отключение защищаемой цепи) означает, что АВДТ работает исправно.
- Рекомендуется один раз в месяц проверять работоспособность выключателя нажатием кнопки "Тест".
- Рекомендуется один раз в 6 месяцев подтягивать контактные винтовые зажимы, давление которых со временем ослабевает из-за циклических изменений температуры окружающей среды и пластической деформации металла зажимаемых проводников.
Преимущества
- Доставка по всей России
- Более 200 000 товаров в ассортименте
- Профессиональная консультация
- Кабель БЕЗ опасности
- Качество по ГОСТу
|
Бренд
|
IEK |
|
СрокГарантии, мес
|
60 |
|
Количество полюсов
|
2 |
|
Марка изделия
|
АВДТ32 |
|
Модульная ширина (общее кол-во модульных расстояний)
|
2 |
|
Номинальное напряжение, В
|
230 |
|
Номинальная отключающая способность, кА
|
6 |
|
Номинальный ток утечки, мА
|
30 |
|
Номинальный ток, А
|
16 |
|
Тип тока утечки
|
A |
-
Зайдите на страницу товара и нажмите на кнопку «В корзину».
Далее можно продолжить покупки или перейти к оформлению заказа.
-
Перейдите в Корзину и нажмите «Перейти к оформлению».
Можно авторизоваться или оформить заказ без регистрации. Зарегистрированные пользователи могут:
- Отслеживать статус заказа
- Получать спецпредложения и промокоды на дополнительные скидки
- Укажите Ваши контакты: ФИО, телефон и e-mail.
- Выберите способ получения заказа (доставка или пункт самовывоза) и способ оплаты.
- Далее «Оформить заказ».
Готово: ваш заказ создан! По электронной почте или в личном кабинете Вы можете отслеживать статус заказа.
Теперь останется только ждать доставки и радоваться новой покупке!
Оплачивайте покупки удобным способом.
В нашем интернет-магазине доступно 3 варианта оплаты:
- Оплата наличными или картой при самовывозе в пункте выдачи заказов/магазине.
- Онлайн-оплата на сайте при оформлении заказа. Для совершения покупки система перенаправит вас на страницу платежного сервиса. Здесь необходимо заполнить форму по инструкции.
- Оплата по счету для юридических лиц. Оплата происходит после предоставления реквизитов для выставления счета. Покупатель получает счет на указанный e-mail.
Доступно 3 варианта доставки:
- Самовывоз из магазина. Список торговых точек для выбора появится в корзине. Для получения заказа обратитесь к сотруднику в кассовой зоне и назовите номер заказа.
- Доставка транспортной компанией СДЭК или Почтой РФ в отделение или постамат.
По всем возникающим вопросам можете позвонить нам на горячую линию:
Ежедневно с 8:00 до 20:00 по МСК
E-mail: help@kristall43.ru
Адрес: 610000, г. Киров, ул. Щорса, 68г, кабинет 3








